Flange Soket Universal PVC-C DN15-600 1/2"-24" Standar ANSI

Tipe Baru Umum Abu-abu Dangkal PVC-C Universal Socket Flange DN15-DN600 Perlengkapan Plastik Sanitasi Kimia Standar ANSI SCH80
Asal: Tiongkok
Nama Merek: KXPV
Bahan: Plastik
Proses: Ditempa
Koneksi: Soket
Bentuk: Sama
Kode Kepala: Kotak
Warna: Abu-abu Muda
Ukuran: DN15-DN600
Aplikasi: Industri
Kemasan: Karton
Tekanan Kerja: 1 MPa
Waktu Pengiriman: 7 Hari
Jumlah Pesanan Minimum: 1 Buah

Daftar Batas Suhu Aplikasi
Bahan Suhu sedang℃ Bahan Suhu sedang℃
PVC-C -20℃~ 95℃ PVC-U -5℃~ 45℃
FRPP -20℃~ 120℃ PPH -20℃~ 110℃
PVDF 40℃~ 150℃

Fitur Struktur Produk

1. Ketahanan Kimia Yang Sangat Baik: Kisaran suhu lebar dari -20 ℃ hingga 95 ℃. Kandungan ion dalam medium memenuhi standar air ultra murni. Kinerja kebersihan sesuai dengan standar sanitasi nasional.
2. Kekuatan, Ketangguhan, dan Ketahanan Korosi Kimia yang Luar Biasa: Bahan ini menawarkan kekuatan dan ketahanan yang unggul terhadap korosi kimia.
3. Daya Tahan: Ketahanan penuaan yang luar biasa dan ketahanan UV secara signifikan memperpanjang umur dibandingkan dengan sistem perpipaan lainnya.
4. Konduktivitas Termal Rendah: Konduktivitas termal sekitar 1/200 baja; sifat tahan api dapat padam dengan sendirinya.
5. Ringan: Beratnya hanya sekitar 1/5 pipa baja dan 1/6 pipa tembaga.
6. Resistensi Rendah, Laju Aliran Tinggi: Dinding pipa yang halus dan bersih menghasilkan ketahanan gesekan dan adhesi yang minimal saat mengangkut cairan.
7. Instalasi Mudah, Biaya Rendah: Dapat dihubungkan menggunakan bonding, threading, dan paling sederhana dengan perekat, menawarkan solusi hemat biaya dan ramah pengguna.

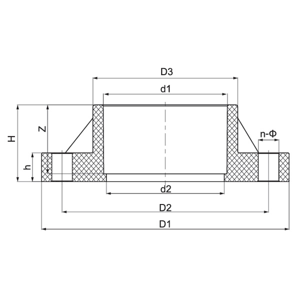
Daftar Dimensi

Spesifikasi D1
(mm)
D2
(mm)
D3
(mm)
d1
(mm)
d2
(mm)
H
(mm)
h
(mm)
Z
(mm)
n-Φ
(mm)
1/2″(15) 89 60 31.5 21.34 18 27 16 22.5 4-Φ16
3/4″(20) 95 70 37 26.67 23 30.5 18 25.5 4-Φ16
1″(25) 108 79 45 33.4 29 34.5 18 29 4-Φ16
1¼″(32) 117 89 54.5 42.16 38 37.5 18 32 4-Φ16
1½″(40) 127 98 61 48.26 44 40.5 20 35 4-Φ16
2″(50) 152 121 74 60.32 55 44.5 20 38.5 4-Φ19
2½″(65) 178 140 90 73.02 68 51 20 45 4-Φ19
3″(80) 191 152 107 88.9 83 54.5 21 48 4-Φ19
4″(100) 229 191 134 114.3 109 64 24 57.5 8-Φ19
5″(125) 254 216 163 141.3 134 73.5 25 67 8-Φ22
6″(150) 279 241 192 168.28 160 83.5 25 76.5 8-Φ22
8″(200) 343 299 247 219.08 210 109 29 102 8-Φ22
Umpan Balik Pesan
[#masukan#]
Tentang Kami
Kaixin Pipeline Technologies Co., Ltd.
Didirikan pada tahun 1999, Kaixin Pipeline Technologies Co., Ltd. adalah perusahaan teknologi tinggi yang mengintegrasikan R&D, manufaktur, penjualan, dan layanan. Perusahaan ini memegang berbagai sertifikasi bergengsi, termasuk Perusahaan Teknologi Tinggi Nasional, UKM Terspesialisasi dan Canggih “Raksasa Kecil”, Juara Produk Tunggal Nasional (Budidaya), UKM Berbasis Teknologi Provinsi, UKM Khusus dan Canggih Ningbo, Juara Produk Tunggal Ningbo (Budidaya), Pusat Litbang Teknologi Pipa & Katup Polimer Ningbo, Pabrik Ramah Lingkungan Tingkat Distrik, Perusahaan Inovasi Manajemen Bintang Empat Ningbo, dan Kematangan Kemampuan Manajemen Data Perusahaan Tingkat 2.
Kami mengkhususkan diri dalam pengembangan, produksi, dan penyediaan produk tahan korosi non-logam untuk aplikasi kimia, termasuk katup plastik, pipa, alat kelengkapan pipa, dan pompa tahan korosi. Portofolio produk kami mencakup material seperti PVC-C, PVC-U, PVDF, PPH, dan FRPP, dengan rangkaian tipe dan spesifikasi yang lengkap. Khususnya, katup kupu-kupu kami dapat mencapai diameter DN1000, sementara pipa dan perlengkapannya dapat diperluas hingga DN800, mengatasi kesenjangan pasar dan mempertahankan keunggulan kompetitif kami di industri.
Dipandu oleh prinsip “Berbasis Teknologi, Mengikuti Perkembangan Zaman,” Kaixin mengalokasikan hampir RMB 10 juta per tahun untuk penelitian dan pengembangan. Kami memastikan kualitas produk yang unggul melalui manufaktur otomatis terstandar dan sumber bahan baku impor yang ketat. Selaras dengan strategi pengembangan internasional kami, kami terus memantau tren pasar global dan memanfaatkan saluran digital untuk menghadirkan produk “Made in China” berkualitas tinggi kepada pelanggan di seluruh dunia.
Ningbo • Basis Litbang & Produksi Fenghua
Dengan total investasi sebesar RMB 200 juta, Kaixin Ultra-Pure Pipe Technology (Ningbo) Co., Ltd. telah mendirikan laboratorium material baru bekerja sama dengan universitas dan lembaga penelitian, membangun basis manufaktur modern, dan memasang 8 jalur produksi otomatis untuk plastik yang dimodifikasi dan 8 untuk bahan polimer. Fasilitas ini didedikasikan untuk penelitian dan pengembangan, produksi, dan penerapan bahan plastik dan polimer baru yang dimodifikasi. Kaixin juga berkomitmen untuk menarik talenta terbaik dari berbagai disiplin ilmu, terus mendorong inovasi produk dan pengembangan merek, dengan tujuan menjadi pemimpin yang diakui secara global dalam penelitian dan pengembangan serta pembuatan katup, pipa, dan alat kelengkapan polimer.
Sertifikat Kehormatan
  • honor
  • honor
  • honor
  • honor
  • honor
  • honor
  • honor
  • honor
  • honor
Berita