Peredam Soket Meleleh Panas PPH Standar DN20*15-100*80 GB

Earthy Yellow  Hot Melt Socket PPH Reducer DN20*15-100*80 Custom 4 inci Fitting tutup pipa plastik industri untuk pasokan bahan kimia dan air
Tempat Asal: Cina
Nama Merek: KXPV
Teknik: Ditempa
Koneksi: soket
Bahan: PPH
Bentuk: Sama
Kode Kepala: Kotak
Warna: Kuning Tanah
Ukuran: DN20*15-100*80
Aplikasi: Industri
Pengepakan: Kotak Karton
Tekanan Kerja: 1.6MPA
Waktu Pengiriman: 7 Hari
MOQ: 1 Buah

Daftar Batas Suhu Aplikasi
Bahan Suhu sedang℃ Bahan Suhu sedang℃
PVC-C -20℃~ 95℃ PVC-U -5℃~ 45℃
FRPP -20℃~ 120℃ PPH -20℃~ 110℃
PVDF 40℃~ 150℃

Fitur Struktur Produk

1. Kristalinitas Tinggi
Terbuat dari monomer polipropilena tunggal, rantai molekulnya tidak mengandung monomer etilen; rantai molekulnya sangat teratur dan menawarkan masa pakai yang lama.
2. Ketahanan Korosi Yang Sangat Baik
Ia dapat menahan korosi dari asam dan basa konsentrasi tinggi dalam kisaran pH 1-14.
3. Tahan Panas, Isolasi, dan Hemat Energi
Dapat beroperasi pada suhu dari -20°C hingga 110°C. Konduktivitas termalnya yang rendah memberikan kinerja isolasi yang sangat baik.
4. Koneksi yang Andal
Sambungan lelehan panas lebih kuat dari pipa itu sendiri, mencegahnya pecah akibat pergerakan tanah atau beban.
5. Kinerja Konstruksi Luar Biasa
Produk ini ringan, memiliki proses pengelasan yang sederhana, mudah dipasang, dan menawarkan biaya keseluruhan yang rendah, cocok untuk proses perpipaan yang rumit. Sistem perpipaan PPH banyak digunakan dalam industri seperti pelapisan listrik, etsa, bahan kimia, farmasi, pengolahan air limbah, dan teknik lingkungan.

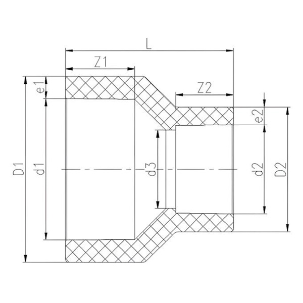
Peredam Soket Meleleh Panas PPH

hari D1 D2 d1 d2 d3 L Z1 Z2 e1 e2
20*15 35 29 25 20 16 40 18 15 5 4.5
25*15 43 29 32 20 16 46 20 15 5.5 4.5
25*20 43 35 32 25 20 47 20 18 5.5 5
32*20 51 35 40 25 20 53 22 18 5.5 5
32*25 51 43 40 32 27 52 22 20 5.5 5.5
40*20 64 35 50 25 20 60 24 18 7 5
40*25 64 43 50 32 27 58 24 20 7 5.5
40*32 64 51 50 40 35 56 24 22 7 5.5
50*25 82 44 63 32 27 70 28.5 20.5 9.5 6
50*32 82 52 63 40 36 68 28.5 22.5 9.5 6
50*40 82 65 63 50 46 65 28.5 24.5 9.5 7.5
65*32 94 52 75 40 36 76 31 22 9.5 6
65*40 94 65 75 50 45 73 31 24 9.5 7.5
65*50 94 82 75 63 57 71 31 28 9.5 9.5
80*40 115.5 66 90 50 45 85 35 24 13 8
80*50 115.5 82.5 90 63 56 83 35 28 13 10
80*65 116 95 90 75 68 80 35 31.5 13 10
100*40 134 64.5 110 50 45 99 41 24 12 7.5
100*50 134 81.5 110 63 56.5 97 41 28 12 9.5
100*65 134 93 110 75 67.5 95 41 31 12 9
100*80 136 116 110 90 82 93.5 41 36 13 13
Umpan Balik Pesan
[#masukan#]
Tentang Kami
Kaixin Pipeline Technologies Co., Ltd.
Didirikan pada tahun 1999, Kaixin Pipeline Technologies Co., Ltd. adalah perusahaan teknologi tinggi yang mengintegrasikan R&D, manufaktur, penjualan, dan layanan. Perusahaan ini memegang berbagai sertifikasi bergengsi, termasuk Perusahaan Teknologi Tinggi Nasional, UKM Terspesialisasi dan Canggih “Raksasa Kecil”, Juara Produk Tunggal Nasional (Budidaya), UKM Berbasis Teknologi Provinsi, UKM Khusus dan Canggih Ningbo, Juara Produk Tunggal Ningbo (Budidaya), Pusat Litbang Teknologi Pipa & Katup Polimer Ningbo, Pabrik Ramah Lingkungan Tingkat Distrik, Perusahaan Inovasi Manajemen Bintang Empat Ningbo, dan Kematangan Kemampuan Manajemen Data Perusahaan Tingkat 2.
Kami mengkhususkan diri dalam pengembangan, produksi, dan penyediaan produk tahan korosi non-logam untuk aplikasi kimia, termasuk katup plastik, pipa, alat kelengkapan pipa, dan pompa tahan korosi. Portofolio produk kami mencakup material seperti PVC-C, PVC-U, PVDF, PPH, dan FRPP, dengan rangkaian tipe dan spesifikasi yang lengkap. Khususnya, katup kupu-kupu kami dapat mencapai diameter DN1000, sementara pipa dan perlengkapannya dapat diperluas hingga DN800, mengatasi kesenjangan pasar dan mempertahankan keunggulan kompetitif kami di industri.
Dipandu oleh prinsip “Berbasis Teknologi, Mengikuti Perkembangan Zaman,” Kaixin mengalokasikan hampir RMB 10 juta per tahun untuk penelitian dan pengembangan. Kami memastikan kualitas produk yang unggul melalui manufaktur otomatis terstandar dan sumber bahan baku impor yang ketat. Selaras dengan strategi pengembangan internasional kami, kami terus memantau tren pasar global dan memanfaatkan saluran digital untuk menghadirkan produk “Made in China” berkualitas tinggi kepada pelanggan di seluruh dunia.
Ningbo • Basis Litbang & Produksi Fenghua
Dengan total investasi sebesar RMB 200 juta, Kaixin Ultra-Pure Pipe Technology (Ningbo) Co., Ltd. telah mendirikan laboratorium material baru bekerja sama dengan universitas dan lembaga penelitian, membangun basis manufaktur modern, dan memasang 8 jalur produksi otomatis untuk plastik yang dimodifikasi dan 8 untuk bahan polimer. Fasilitas ini didedikasikan untuk penelitian dan pengembangan, produksi, dan penerapan bahan plastik dan polimer baru yang dimodifikasi. Kaixin juga berkomitmen untuk menarik talenta terbaik dari berbagai disiplin ilmu, terus mendorong inovasi produk dan pengembangan merek, dengan tujuan menjadi pemimpin yang diakui secara global dalam penelitian dan pengembangan serta pembuatan katup, pipa, dan alat kelengkapan polimer.
Sertifikat Kehormatan
  • honor
  • honor
  • honor
  • honor
  • honor
  • honor
  • honor
  • honor
  • honor
Berita