Katup Bola Flange Pneumatik PVC-C Q641F-10V Standar DN15-300 GB

Harga kompetitif Katup bola aktuator Pneumatik PVC-C khusus untuk Pertanian dan sistem air
Jenis: Katup Bola
Tempat Asal: Cina
Nama Merek: KXPV
Nomor Model: D641X-10V
Aplikasi: Umum
Suhu Media: Suhu Tinggi, Suhu Sedang
Kekuatan: Pneumatik
Media: Asam
Ukuran Pelabuhan: DN15-300
Struktur: Katup bola tetap
Bahan tubuh: PVC-C
Koneksi: Ujung Flange
Standar: GB/T37842 F4
Penggunaan: Industri
Suhu Kerja: -20~ 95℃
Waktu Pengiriman: 7 Hari
MOQ: 1 Buah

Kelas Tekanan: 1,0Mpa(10bar)

Daftar Batas Suhu Aplikasi

Bahan Suhu sedang℃ Bahan Suhu sedang℃
PVC-C -20℃~ 95℃ PVC-U -5℃~ 45℃
FRPP -20℃~ 120℃ PPH -20℃~ 110℃
PVDF 40℃~ 150℃

Fitur Struktur Produk

1. Katup bola plastik rekayasa ini dicetak dengan injeksi utuh menggunakan termoplastik tahan korosi seperti FRPP, PVDF, PVC-C, PVC-U, dan PPH, sehingga menawarkan ketahanan korosi yang kuat.
2. Kursi PTFE dapat disesuaikan kekencangannya.
3. Cincin-O dua lapis memberikan perlindungan kebocoran ganda.
4. Penampilan indah, permukaan halus, pemesinan halus, dan desain aliran penuh.
5. Aktuator dapat dikendalikan dari jarak jauh melalui komputer atau pusat kendali, mengontrol aliran dan aliran media dengan membuka dan menutup katup. Hal ini memberikan kenyamanan dan kecepatan yang lebih baik, mengurangi biaya tenaga kerja, dan menjamin keselamatan pekerja di lokasi.

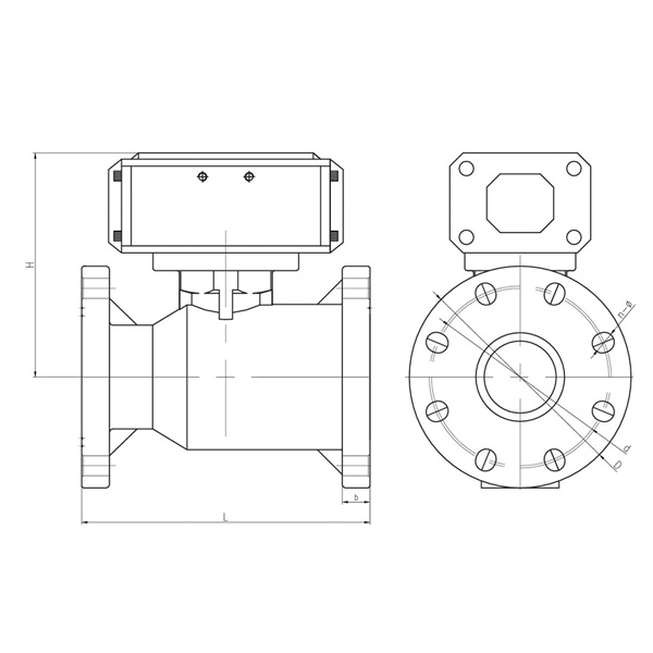
Daftar Dimensi

DN(mm) D d L H b n-Φ
GB JIS ANSI GB JIS ANSI GB JIS ANSI
15(1/2") 95 95 65 70 120 160 15 4-Φ15 4-Φ15
20(3/4") 105 100 75 75 120 160 16 4-Φ15 4-Φ15
25(1") 120 125 85 90 130 162 16 4-Φ15 4-Φ19
32(11/4") 135 135 100 100 145 190 18 4-Φ18 4-Φ19
40(11/2") 145 140 125 110 105 98.4 168 220 20 4-Φ18 4-Φ19 4-Φ16
50(2") 160 155 150 125 120 120.7 180 230 20 4-Φ19 4-Φ19 4-Φ18
65(2-1/2") 180 145 225 245 22 4-Φ19
80(3") 195 160 255 280 25 8-Φ18.5
100(4") 229 229 180 190.5 280 295 25 8-Φ18.5X20 8-Φ18.5X20
125(5") 254 250 254 210 210 215.9 350 340 30 8-Φ18.5X20 8-Φ23 8-Φ22
150(6") 280 280 280 240 240 241.3 400 360 30 8-Φ24X27 8-Φ24X27 8-Φ24X27
200(8") 335 330 335 295 290 298.5 400 400 35 8-Φ23 12-Φ23 8-Φ22
250(10") 400 400 400 350 355 362 450 460 38 12-Φ23X26 12-Φ25 12-Φ26
300(12") 440 440 400 400 450 460 38 12-Φ23 16-Φ25
Umpan Balik Pesan
[#masukan#]
Tentang Kami
Kaixin Pipeline Technologies Co., Ltd.
Didirikan pada tahun 1999, Kaixin Pipeline Technologies Co., Ltd. adalah perusahaan teknologi tinggi yang mengintegrasikan R&D, manufaktur, penjualan, dan layanan. Perusahaan ini memegang berbagai sertifikasi bergengsi, termasuk Perusahaan Teknologi Tinggi Nasional, UKM Terspesialisasi dan Canggih “Raksasa Kecil”, Juara Produk Tunggal Nasional (Budidaya), UKM Berbasis Teknologi Provinsi, UKM Khusus dan Canggih Ningbo, Juara Produk Tunggal Ningbo (Budidaya), Pusat Litbang Teknologi Pipa & Katup Polimer Ningbo, Pabrik Ramah Lingkungan Tingkat Distrik, Perusahaan Inovasi Manajemen Bintang Empat Ningbo, dan Kematangan Kemampuan Manajemen Data Perusahaan Tingkat 2.
Kami mengkhususkan diri dalam pengembangan, produksi, dan penyediaan produk tahan korosi non-logam untuk aplikasi kimia, termasuk katup plastik, pipa, alat kelengkapan pipa, dan pompa tahan korosi. Portofolio produk kami mencakup material seperti PVC-C, PVC-U, PVDF, PPH, dan FRPP, dengan rangkaian tipe dan spesifikasi yang lengkap. Khususnya, katup kupu-kupu kami dapat mencapai diameter DN1000, sementara pipa dan perlengkapannya dapat diperluas hingga DN800, mengatasi kesenjangan pasar dan mempertahankan keunggulan kompetitif kami di industri.
Dipandu oleh prinsip “Berbasis Teknologi, Mengikuti Perkembangan Zaman,” Kaixin mengalokasikan hampir RMB 10 juta per tahun untuk penelitian dan pengembangan. Kami memastikan kualitas produk yang unggul melalui manufaktur otomatis terstandar dan sumber bahan baku impor yang ketat. Selaras dengan strategi pengembangan internasional kami, kami terus memantau tren pasar global dan memanfaatkan saluran digital untuk menghadirkan produk “Made in China” berkualitas tinggi kepada pelanggan di seluruh dunia.
Ningbo • Basis Litbang & Produksi Fenghua
Dengan total investasi sebesar RMB 200 juta, Kaixin Ultra-Pure Pipe Technology (Ningbo) Co., Ltd. telah mendirikan laboratorium material baru bekerja sama dengan universitas dan lembaga penelitian, membangun basis manufaktur modern, dan memasang 8 jalur produksi otomatis untuk plastik yang dimodifikasi dan 8 untuk bahan polimer. Fasilitas ini didedikasikan untuk penelitian dan pengembangan, produksi, dan penerapan bahan plastik dan polimer baru yang dimodifikasi. Kaixin juga berkomitmen untuk menarik talenta terbaik dari berbagai disiplin ilmu, terus mendorong inovasi produk dan pengembangan merek, dengan tujuan menjadi pemimpin yang diakui secara global dalam penelitian dan pengembangan serta pembuatan katup, pipa, dan alat kelengkapan polimer.
Sertifikat Kehormatan
  • honor
  • honor
  • honor
  • honor
  • honor
  • honor
  • honor
  • honor
  • honor
Berita